Equipment.com.ua
Головна / Oscilloscopes / Oscilloscope Accessories / Siglent SDS5000HD-ARINC ARINC429 Trigger/Decode Software

Siglent SDS5000HD-ARINC ARINC429 Trigger/Decode Software

Siglent SDS5000HD-ARINC програмне забезпечення ARINC429 запуск/декодування

Siglent · Модель: SDS5000HD-ARINC На замовлення
Siglent SDS5000HD-ARINC ARINC429 Trigger/Decode Software
Запитати ціну

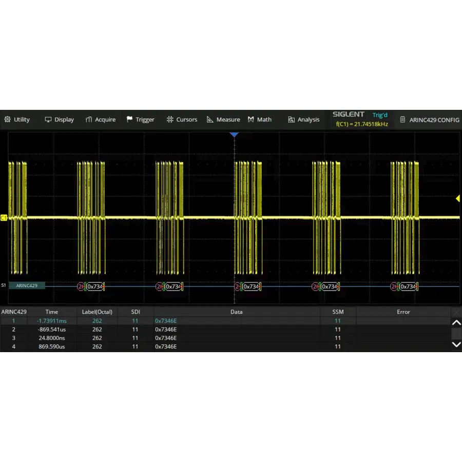
Siglent SDS5000HD-ARINC software license enables ARINC429 trigger and decode functions for SDS5000X HD series oscilloscopes.

Модель SDS5000HD-ARINC
Виробник Siglent
Категорія Oscilloscope Accessories
Наявність На замовлення

Огляд

Siglent SDS5000HD-ARINC — це програмна ліцензія, яка додає функції запуску та декодування ARINC429 до осцилографів серії SDS5000X HD. ARINC 429 — це стандартний протокол передачі даних для авіоніки літаків. Ця ліцензія дозволяє спеціалістам аналізувати сигнали ARINC429 для аерокосмічних та авіаційних застосувань.

Основні характеристики

  • Запуск на сигналах ARINC429
  • Декодування ARINC429
  • Сумісність з осцилографами SDS5000X HD
  • Програмна ліцензія

Застосування

  • Тестування систем авіоніки
  • Аналіз сигналів авіоніки літаків
  • Валідація та налагодження протоколу ARINC429
Type Trigger and Decode
For Use With SDS5000X HD Series
Siglent SDS5000HD-ARINC ARINC429 Trigger/Decode Software

Запит ціни

Siglent SDS5000HD-ARINC ARINC429 Trigger/Decode Software

Відповідь протягом 24 годин
Без зобов'язань
Пряма комунікація

Надсилаючи форму, ви погоджуєтесь на обробку персональних даних відповідно до нашої політики конфіденційності.